STANDARD CURRENT INJECTION SYSTEMS (PCI)



Explore Montena’s full range of standard current injection systems (PCI) and ensure full functionality and network interoperability during and after exposure to HEMP environments.
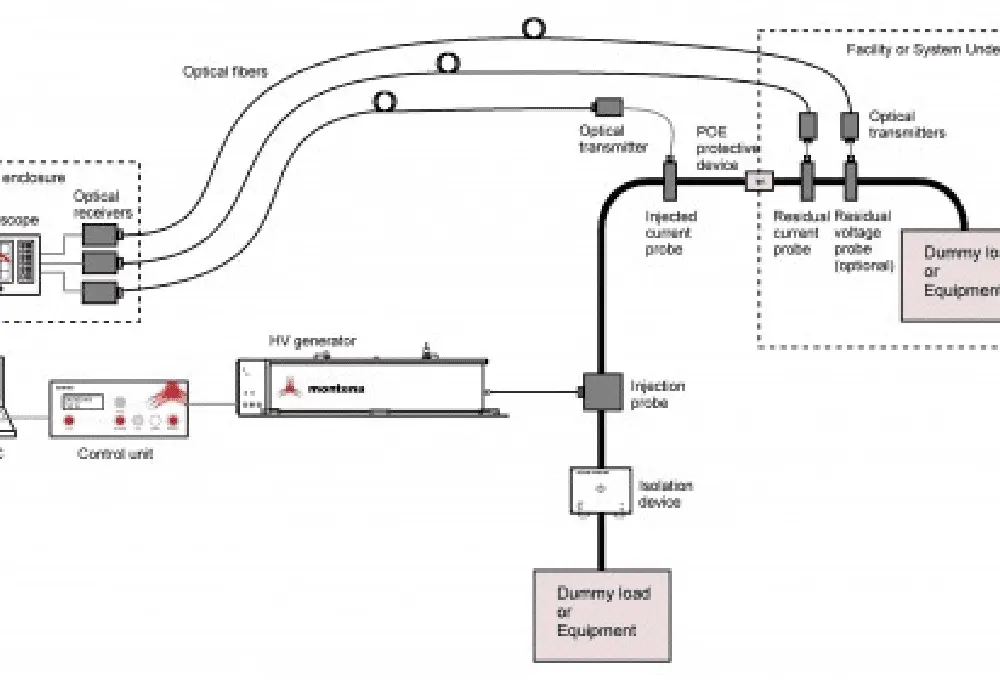
Complete solution with generators, couplers and measurement equipment
Transportable, battery powered, 1 KA 1 E1 generator for on-site verification tests
Control and pulse management software application to facilitate the tests
Used by ~50 labs worldwide
Fixed and mobile ground-based mission critical C4I systems (command, control, communications, computer, and intelligence) require full functionality and network interoperability during and after exposure to HEMP environments. Hardening requirements include stringent shielding and electrical POE (Point Of Entry) protections.
Montena’s solution covers the short pulse (E1), the intermediate pulse (E2) and a charge line pulser for testing the protections of all kinds of entry points. The turnkey test solution includes coupling and decoupling networks, current injection and measuring probes, fiber optic links, etc. A PC software application drives all the instruments for a simple and effective operation.
DATASHEET & DOCUMENTATION
Access all technical data and resources about our NEMP Test Systems and EMC solutions.
Access detailed specifications
Make informed, confident choices
Contact us for further assistance
FAQ
What is the purpose of Montena’s Standard Current Injection Systems (PCI)?
Montena’s Standard Current Injection Systems ensure full functionality and network interoperability of mission-critical fixed and mobile ground-based C4I systems during and after exposure to HEMP (High-Altitude Electromagnetic Pulse) environments.
What types of pulses do the PCI systems cover?
The PCI solution covers the short pulse (E1), the intermediate pulse (E2), and a charge line pulser for testing protection at all kinds of entry points.
What components are included in the turnkey PCI test solution?
The turnkey system includes coupling and decoupling networks, current injection and measuring probes, fiber optic links, and is controlled by a PC software application for a simple and effective testing operation.
Are the PCI systems portable and suitable for on-site testing?
Yes, Montena offers transportable, battery-powered generators (e.g., 1 KA 1 E1 generator) designed for on-site verification tests.
How widely used are Montena’s PCI systems?
Approximately 50 laboratories worldwide currently use Montena’s PCI systems for NEMP (Nuclear Electromagnetic Pulse) testing.
Where can I find detailed technical data and resources about these PCI systems?
Detailed datasheets, documentation, and technical specifications are available through Montena’s datasheet and documentation resources online.
WE RECOMMEND ALONGSIDE:
USED IN APPLICATION
Learn how our technology and solutions are applied in concrete scenarios and how they can benefit your organization.
PROJECT? QUESTION?
Contact our team to explore the potential of Montena’s innovative solutions to achieve your challenging goals.
NEWSROOM
Stay in sync with the pulse of your industry—get insights, product updates, and expert perspectives delivered right here.